Корзина
0 товара

0.-

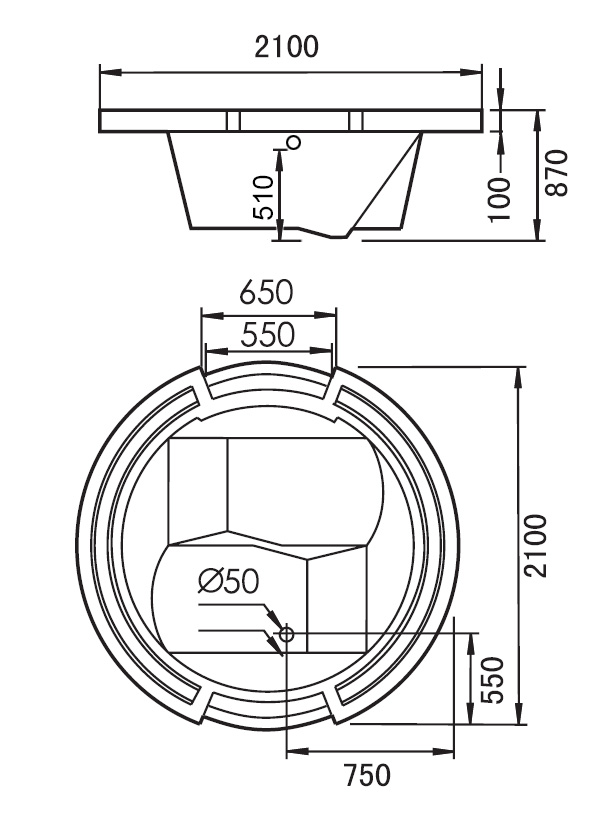
Гидромассажная ванна Gemy G9060 O 210х210 см

Просмотренные товары