Корзина
0 товара

0.-

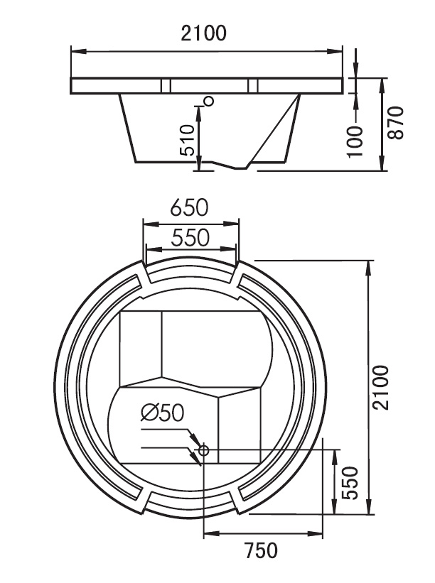
Гидромассажная ванна Gemy G9060 B 210х210 см